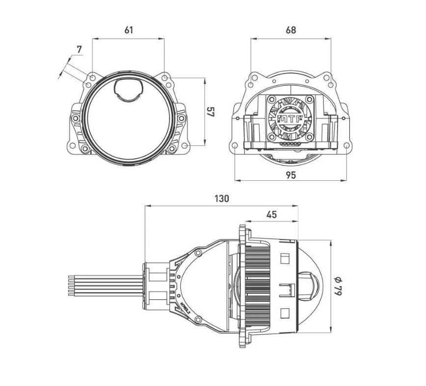
Mtf laser jet 3