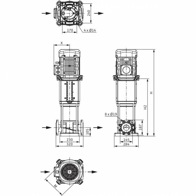
Насос wilo helix v