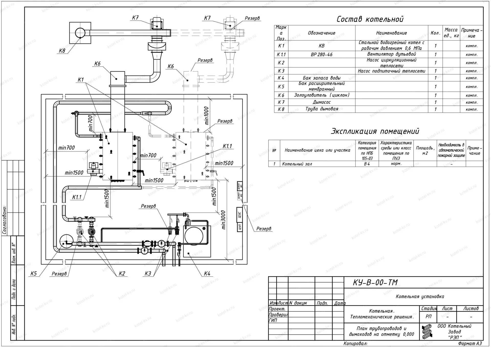
Название котельной