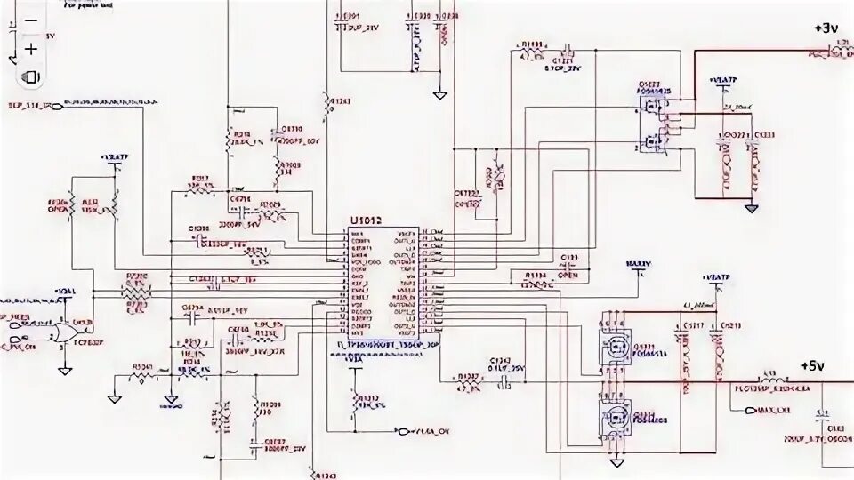
Неисправность цепи питания