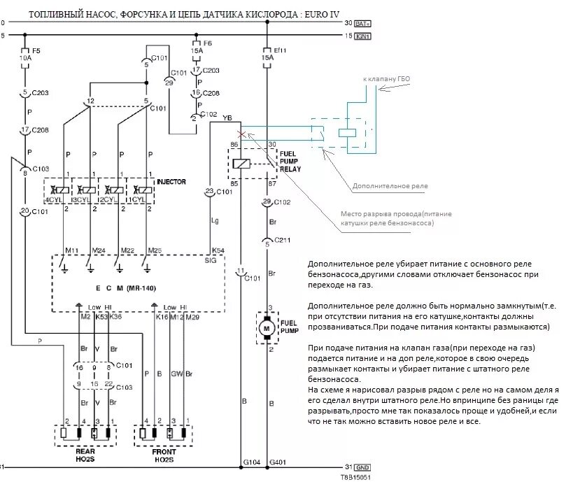
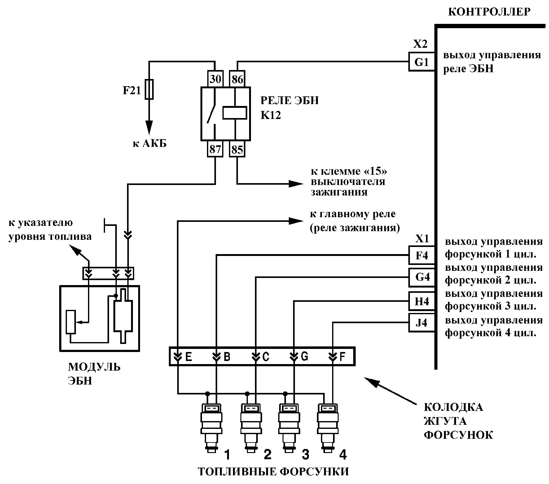
Нет питания на форсунки