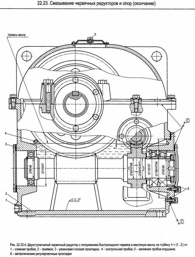
Объем масла в редукторе 9.9