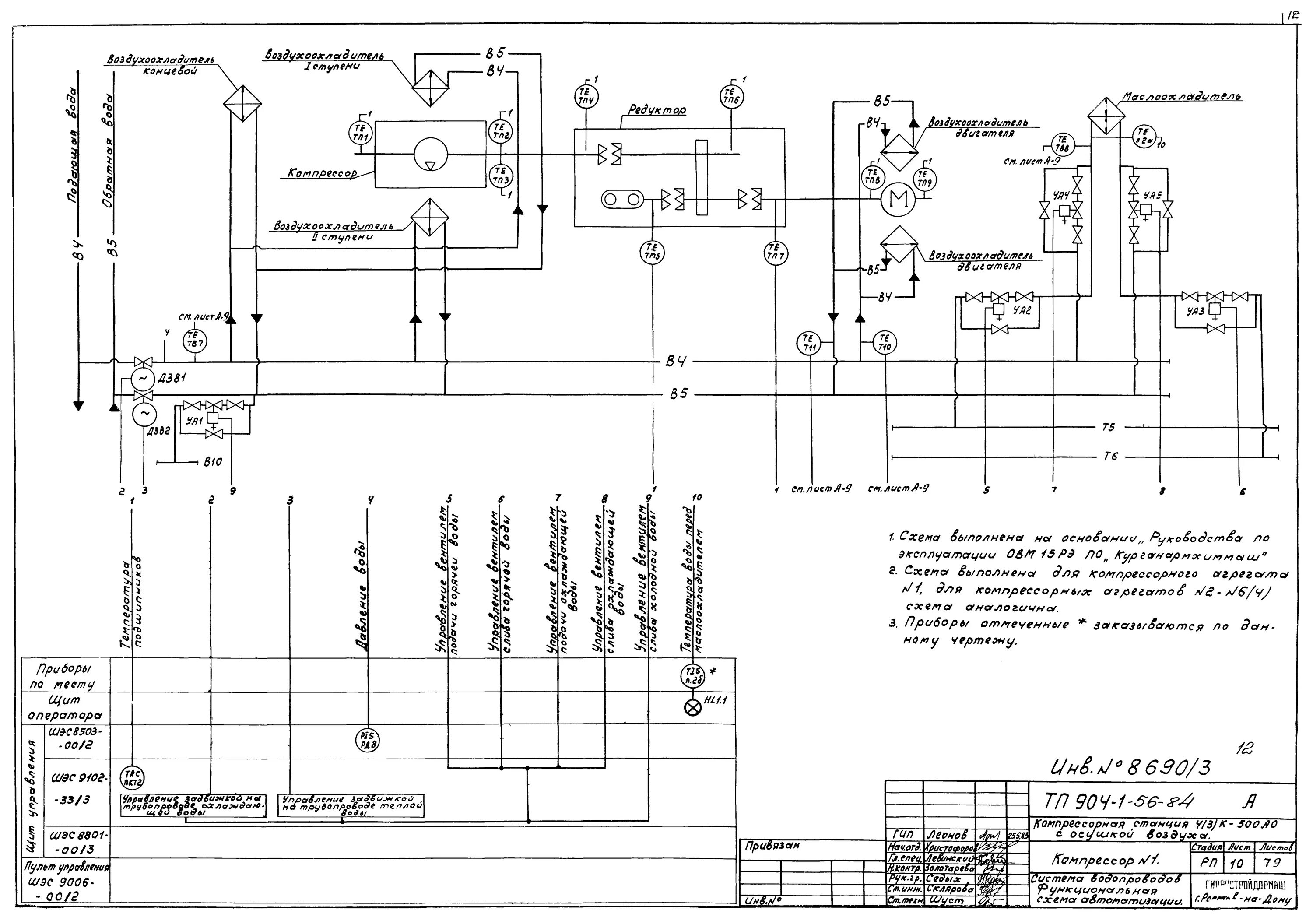
Обозначение приборов кип на схеме