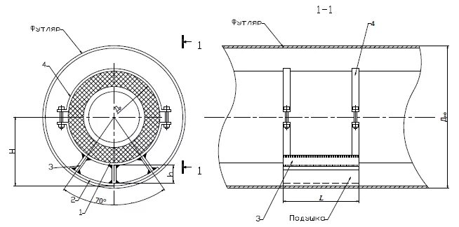
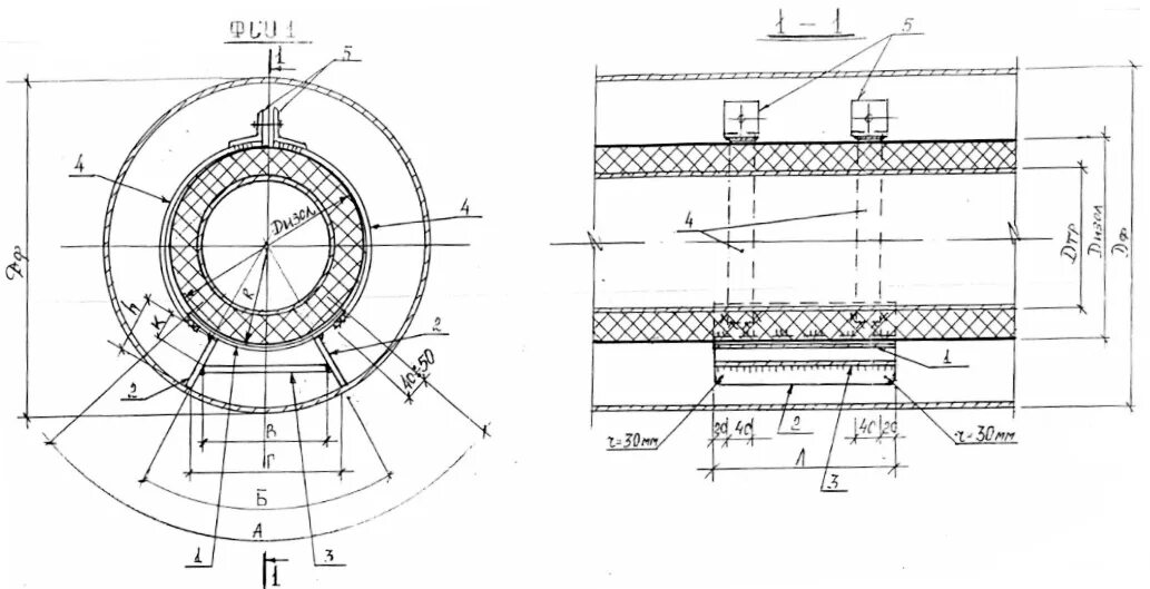
Опора футляра