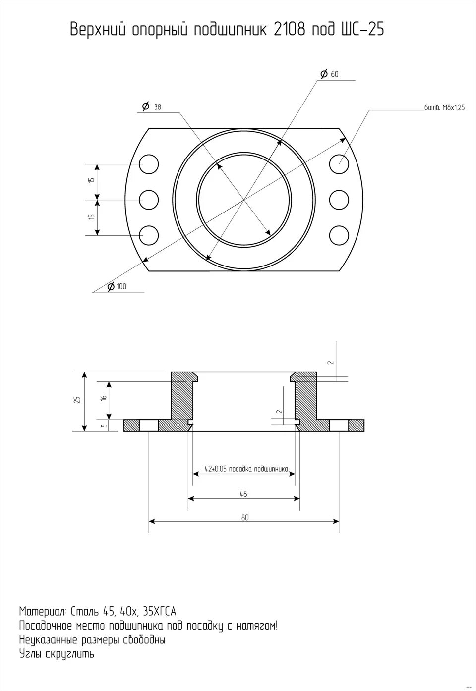
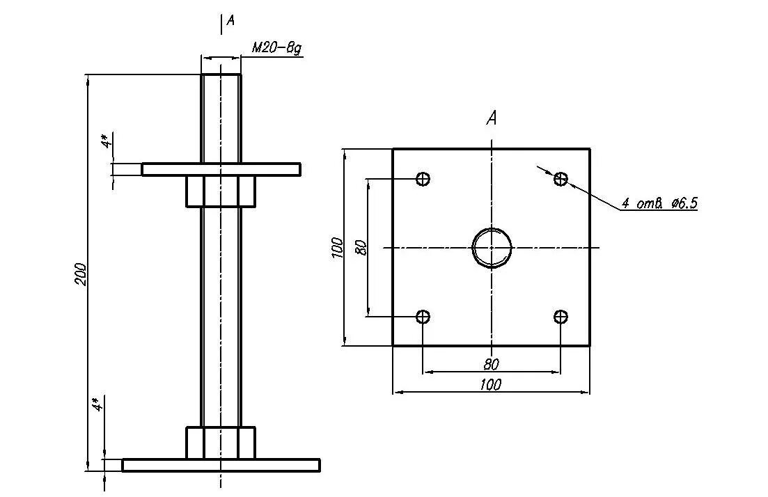
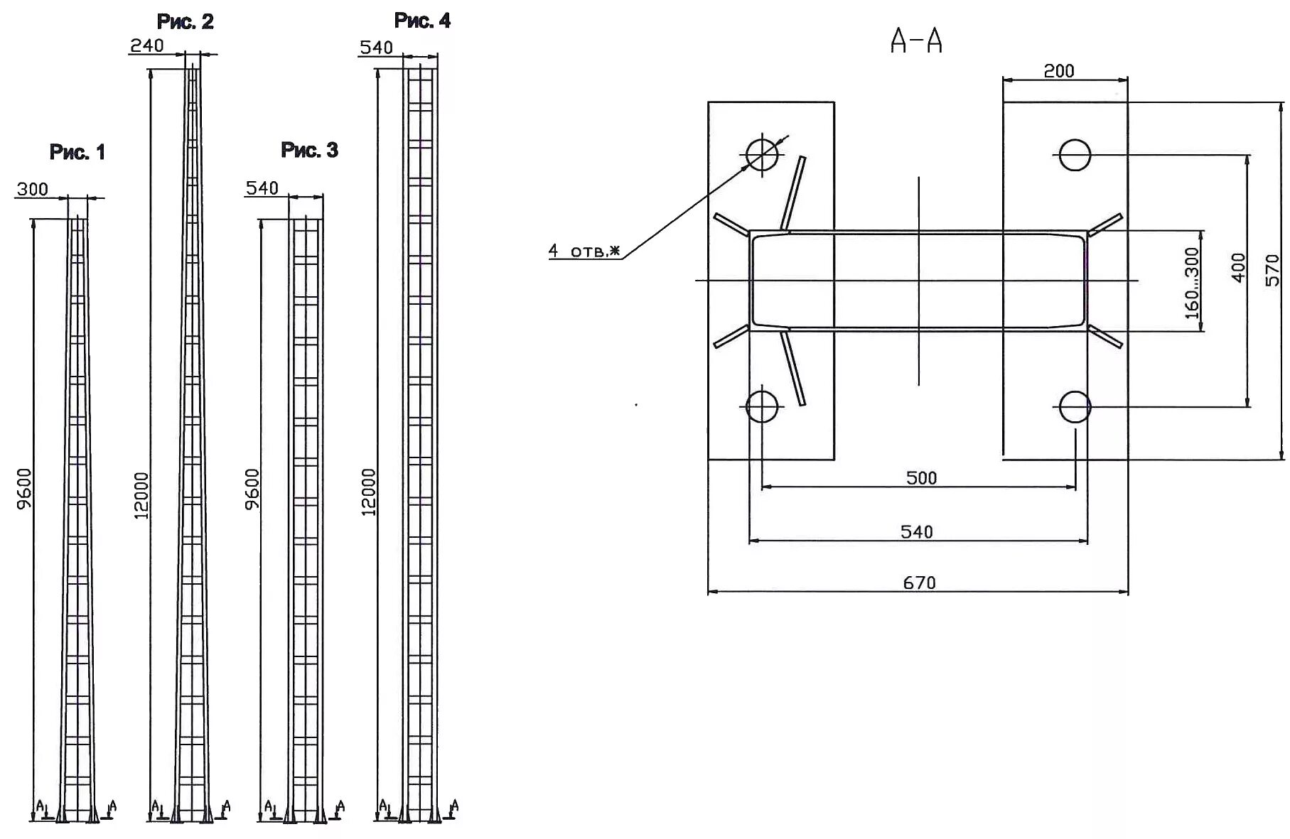
Опорный размер