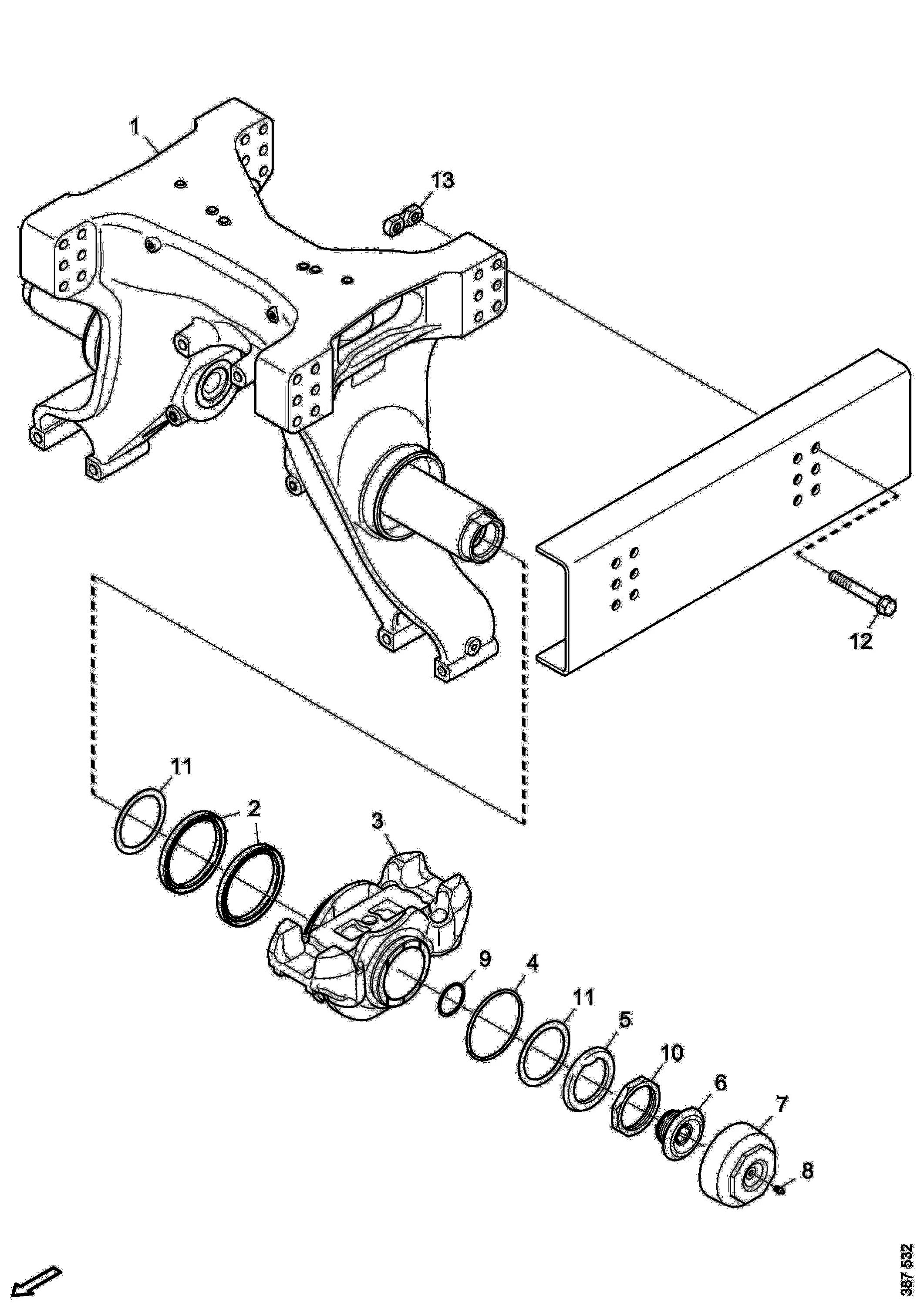
Ось scania