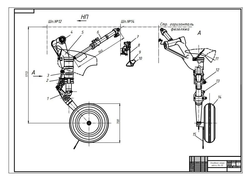
Основные опоры шасси