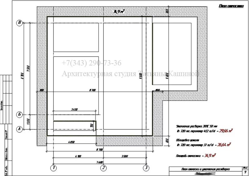
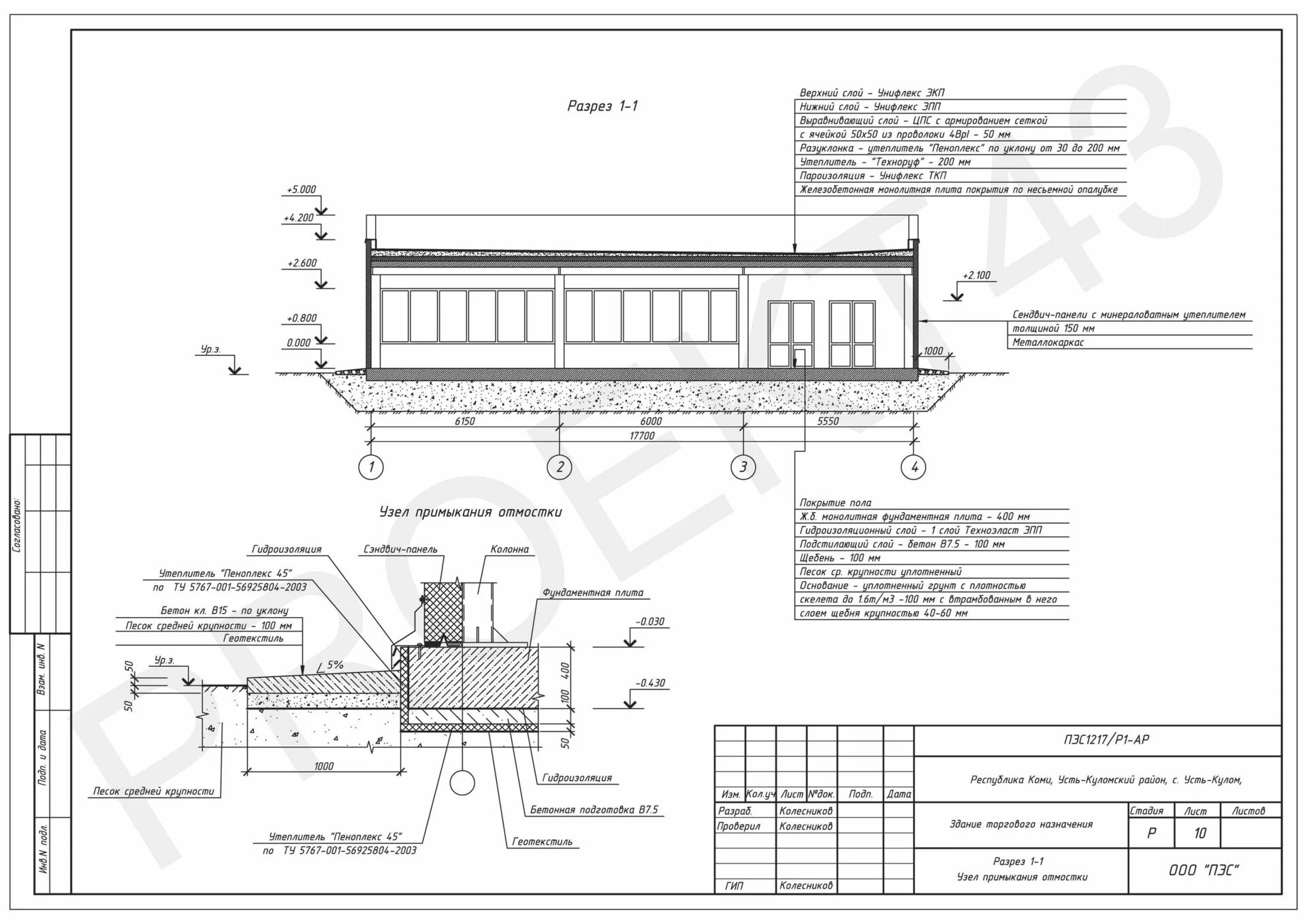
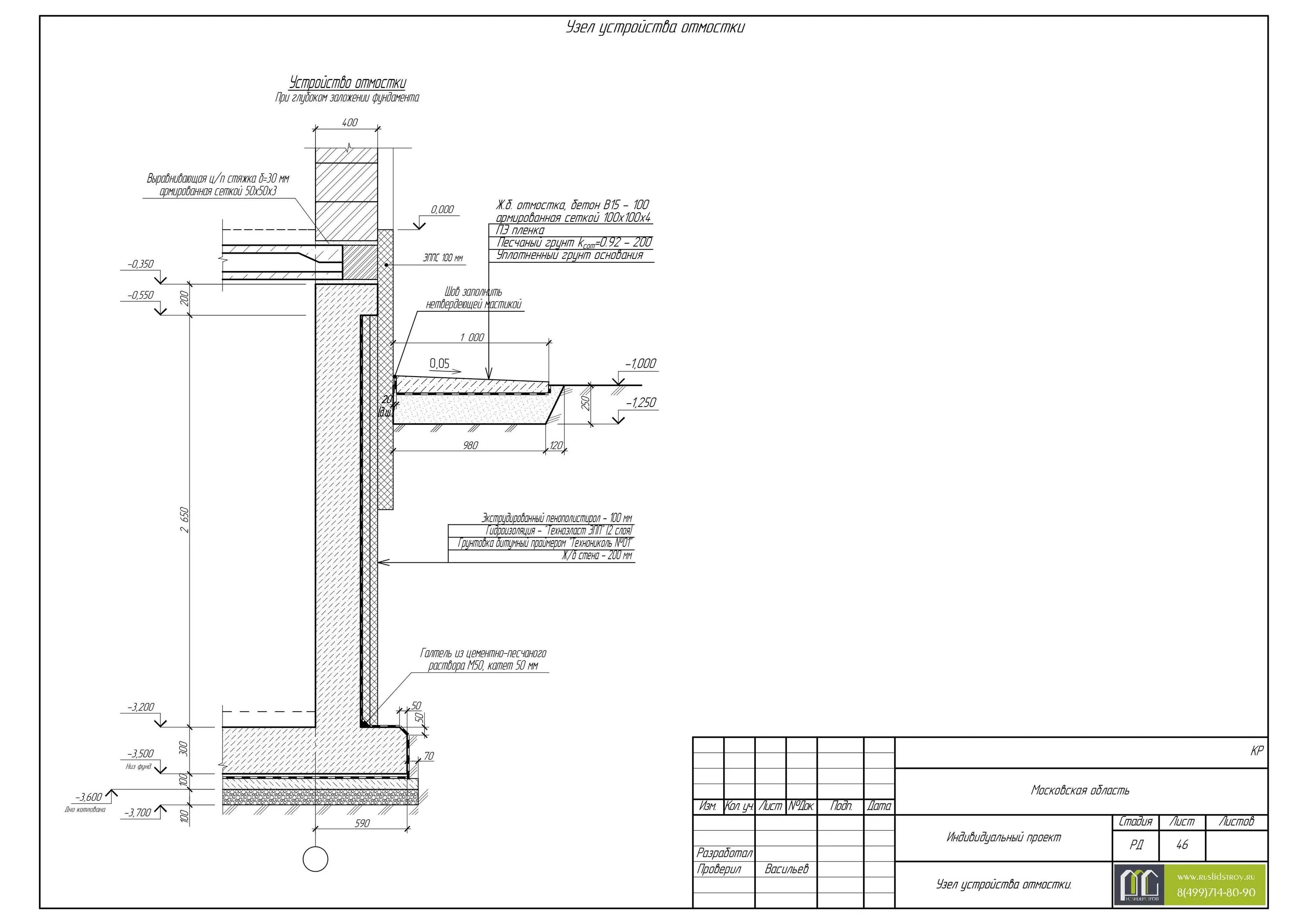
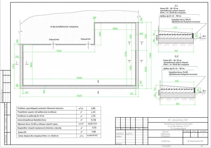
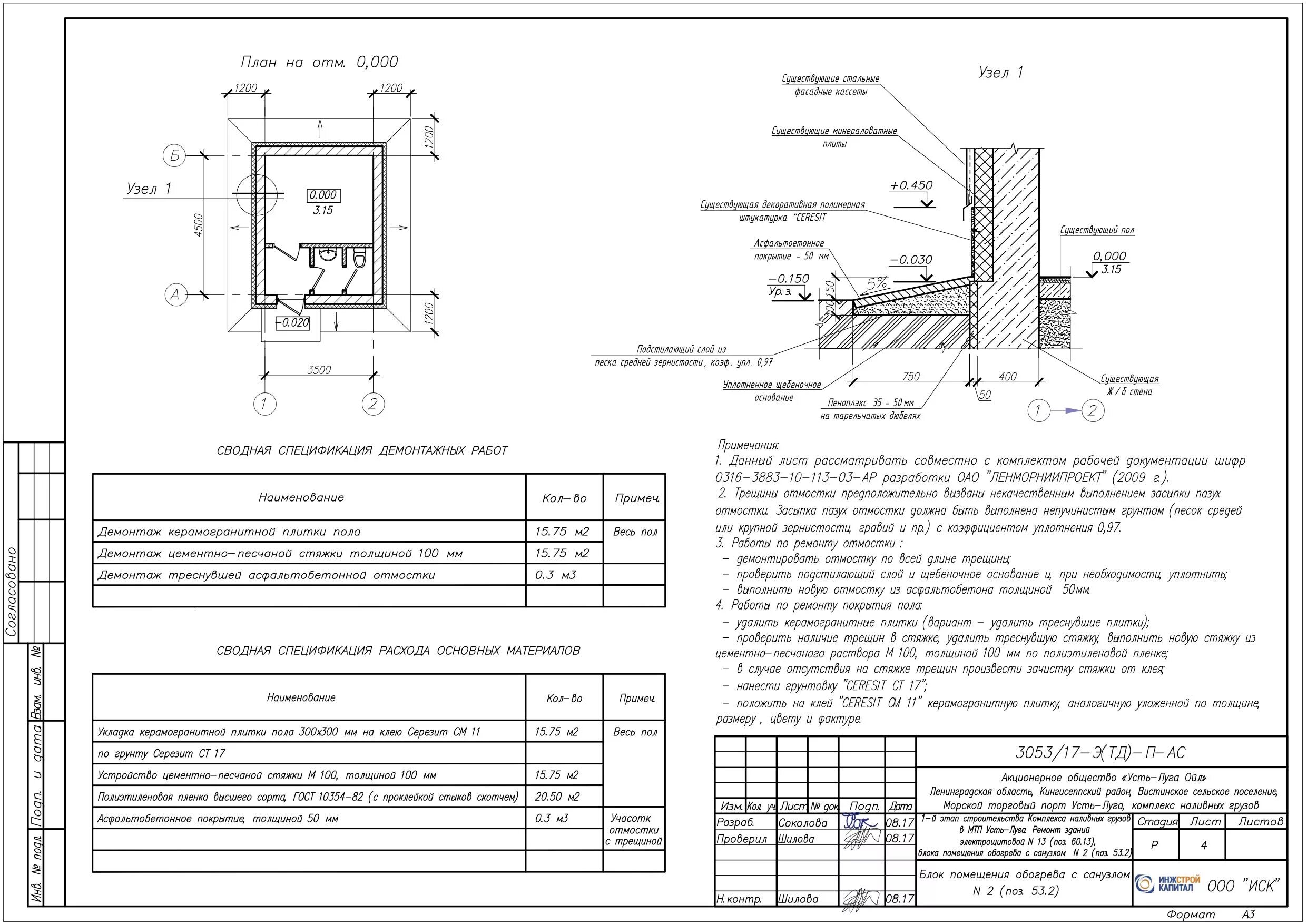
Отмостка на плане здания