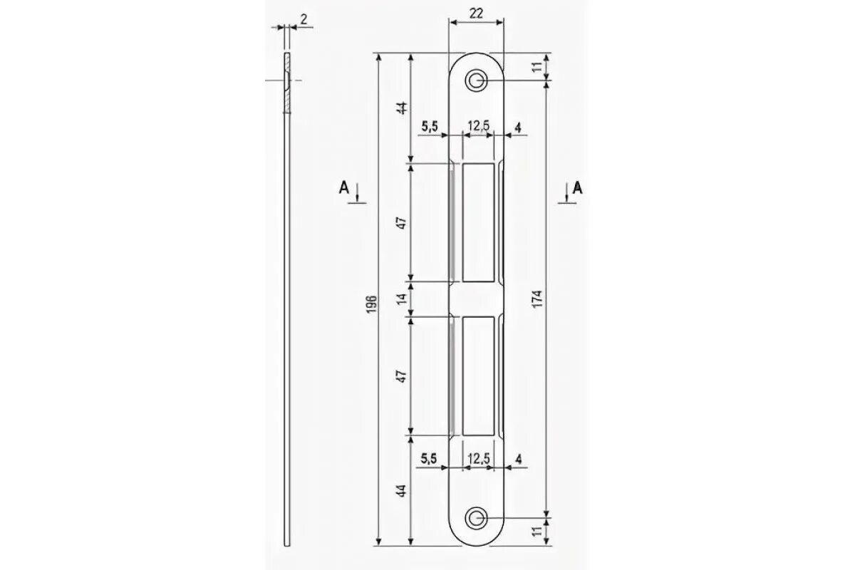
Ответные планки agb