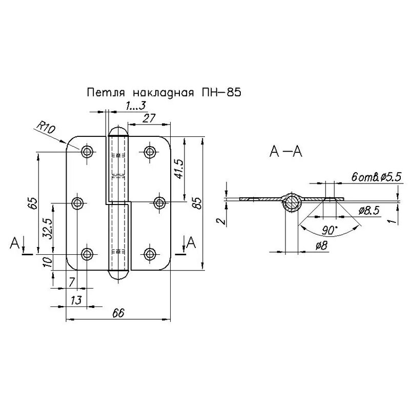
П 3 пн