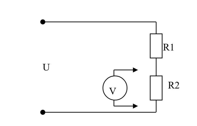
Падает напряжение u