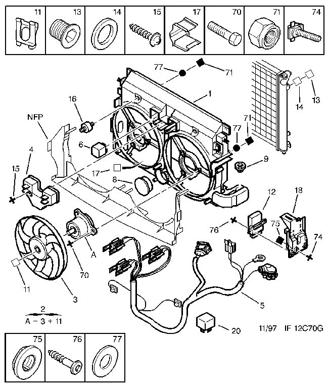
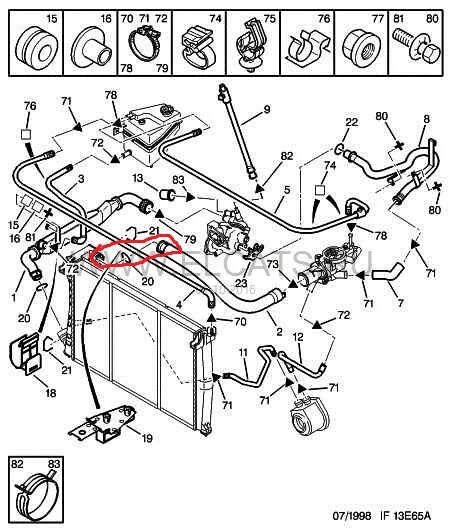
Пежо 406 охлаждения