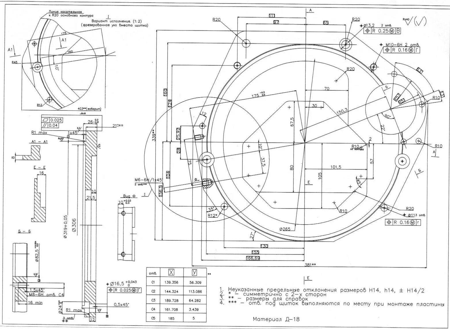
Плита двигателя ваз