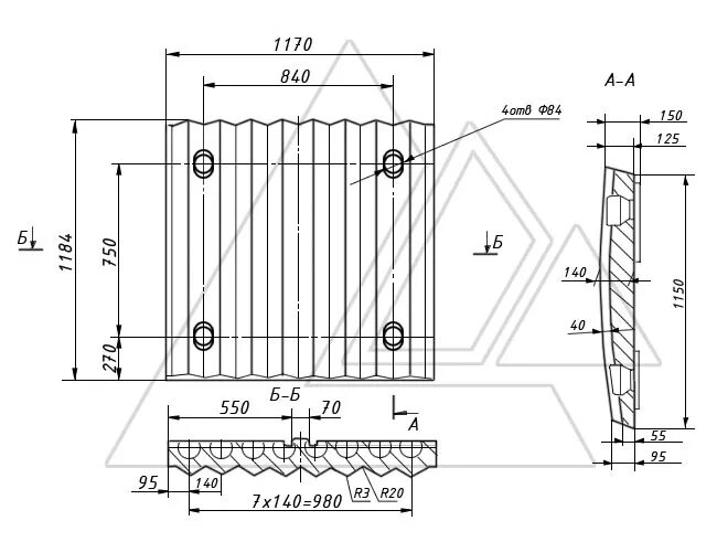
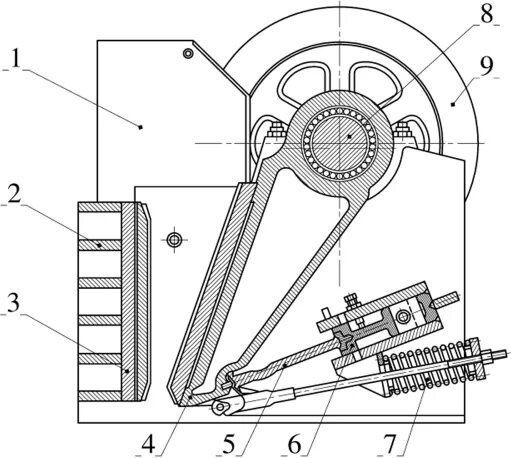
Плита щековой дробилки