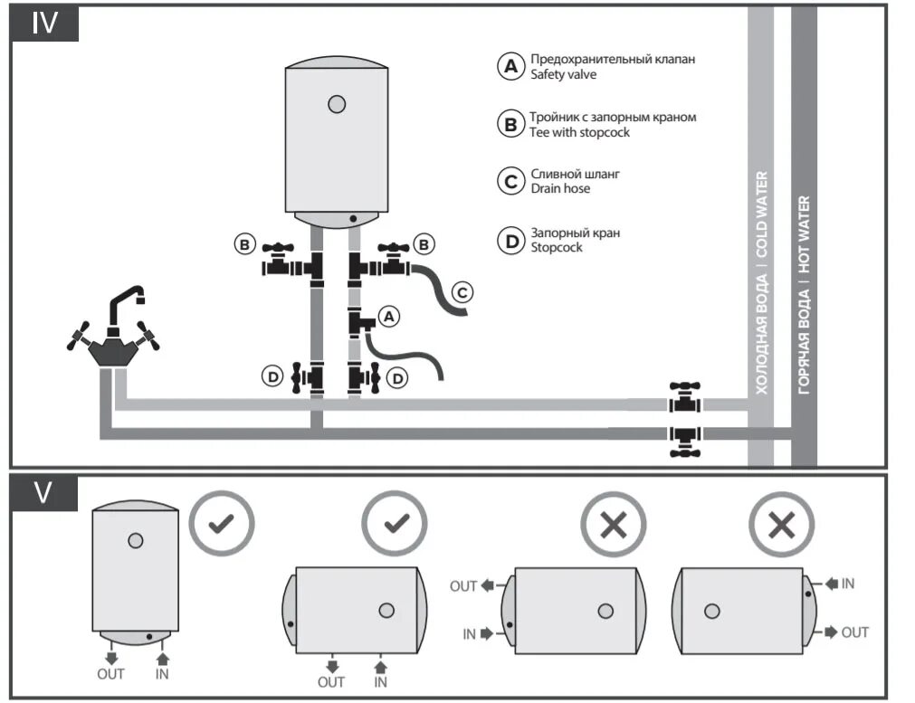
Подключение аристона