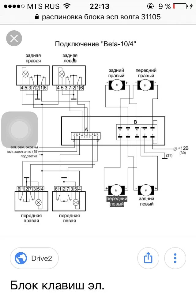
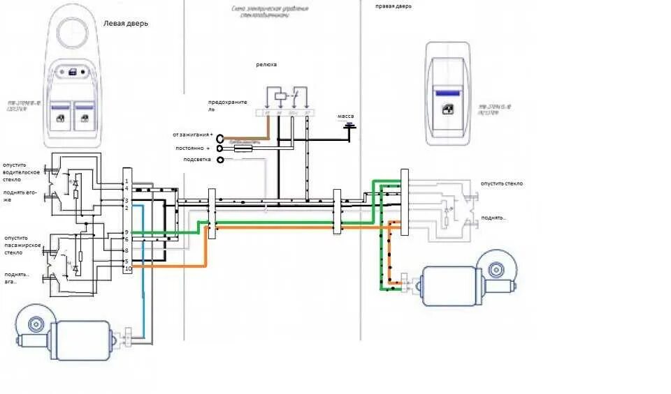
Подключение блока стеклоподъемников приора