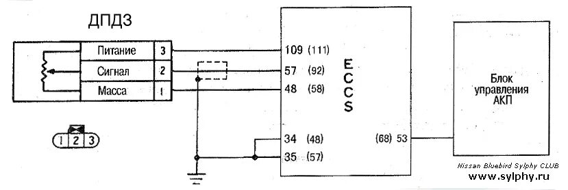
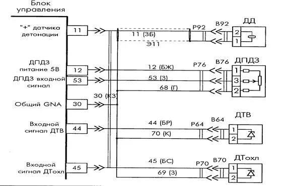
Подключение дпдз