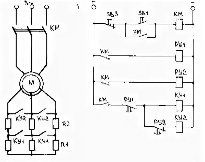
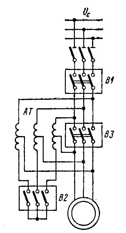
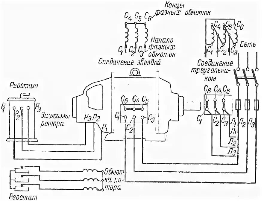
Подключение двигателей с фазным ротором