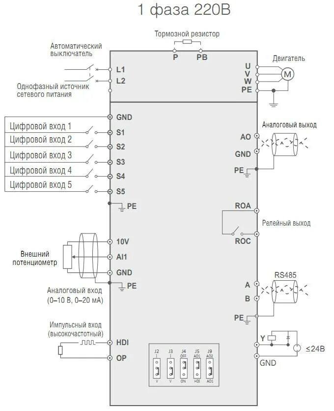
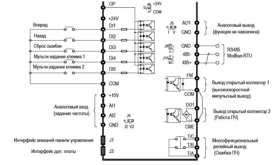
Подключение и настройка частотного преобразователя