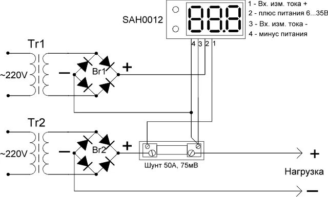
Подключение индикатора питания