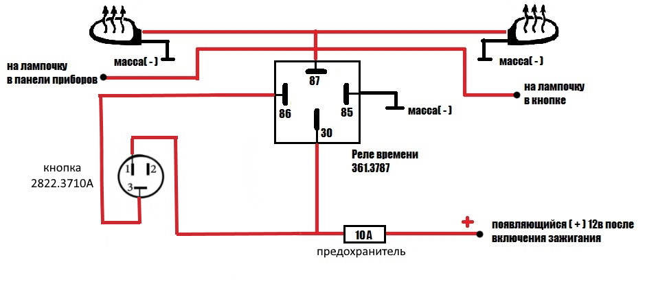
Подключение обогрева зеркал ваз 2110