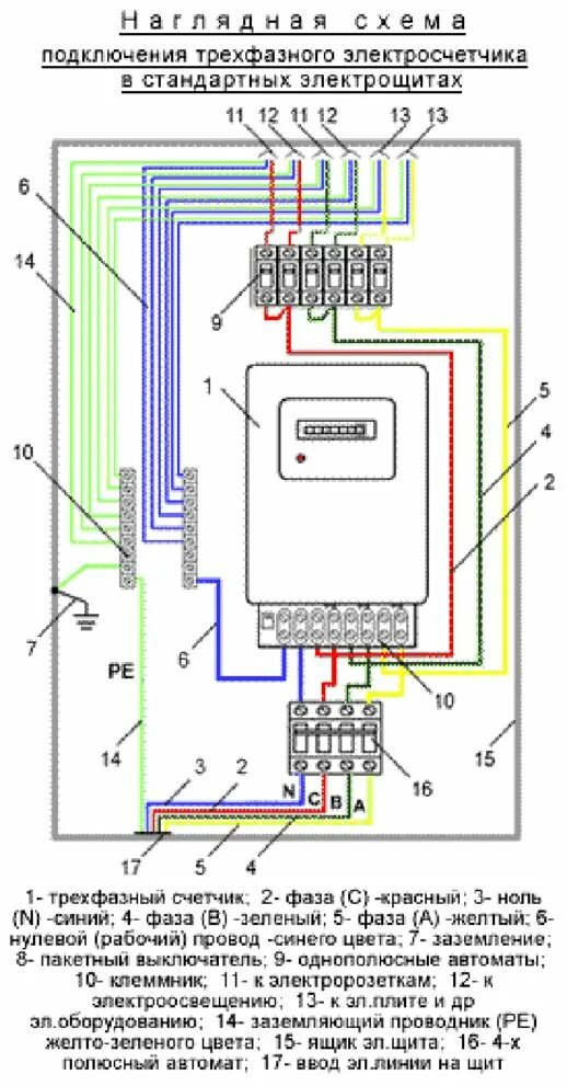
Подключение приборов учета