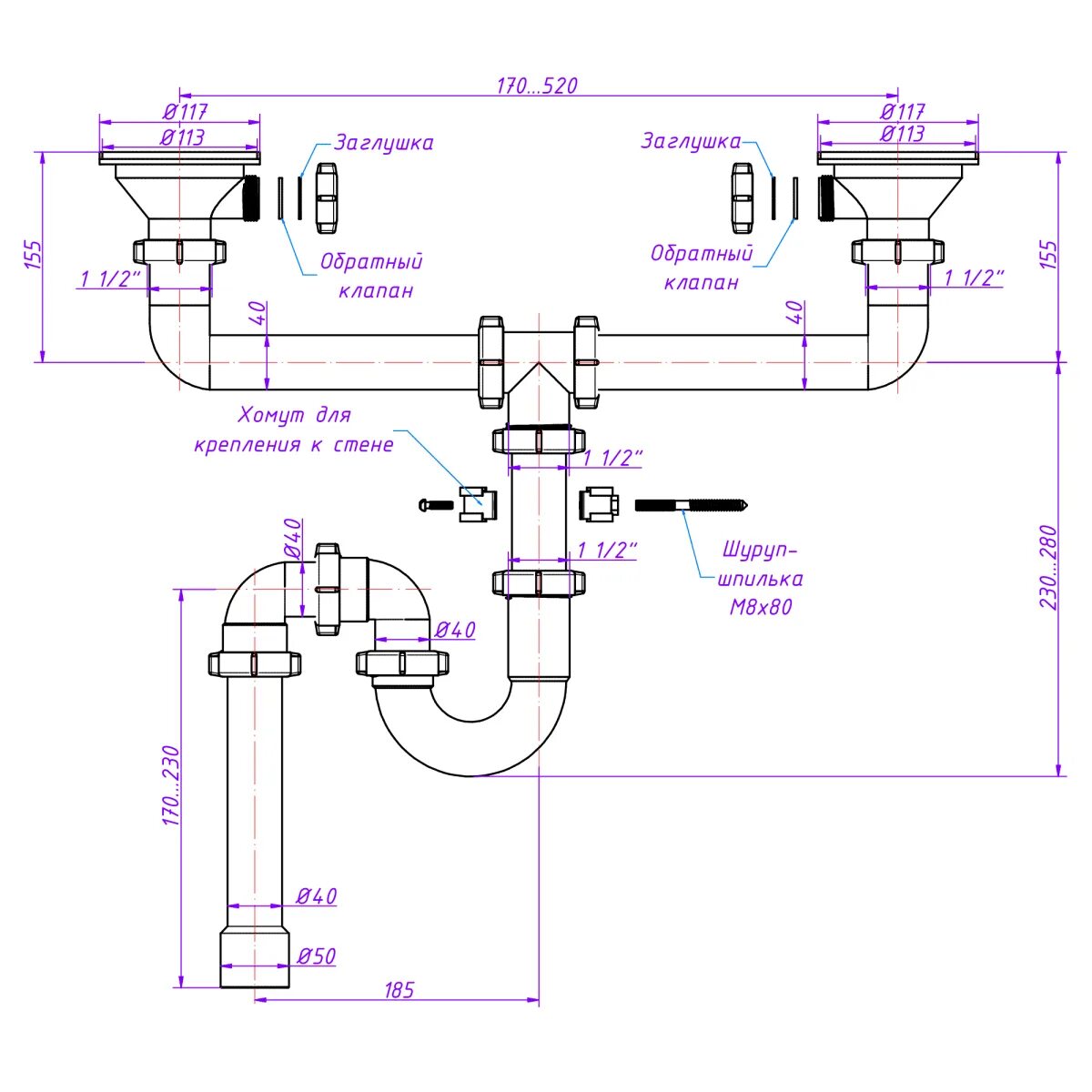
Подключение сифона кухня