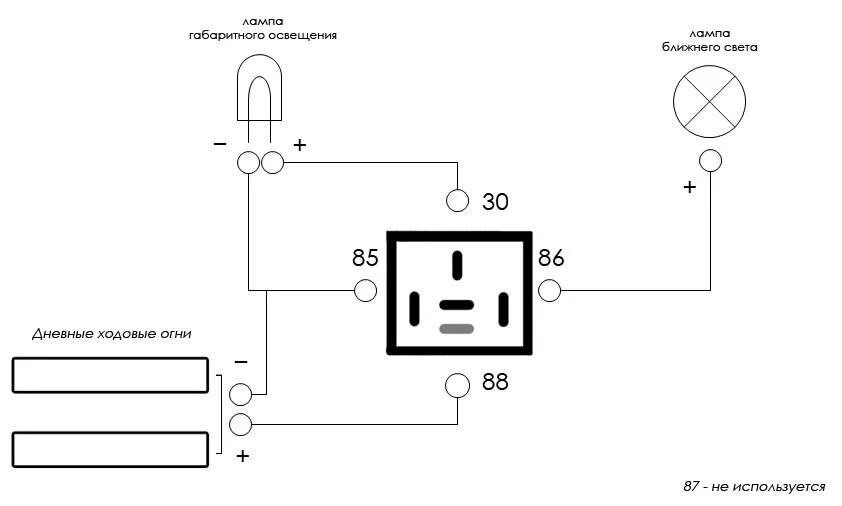
Подключить дхо ваз