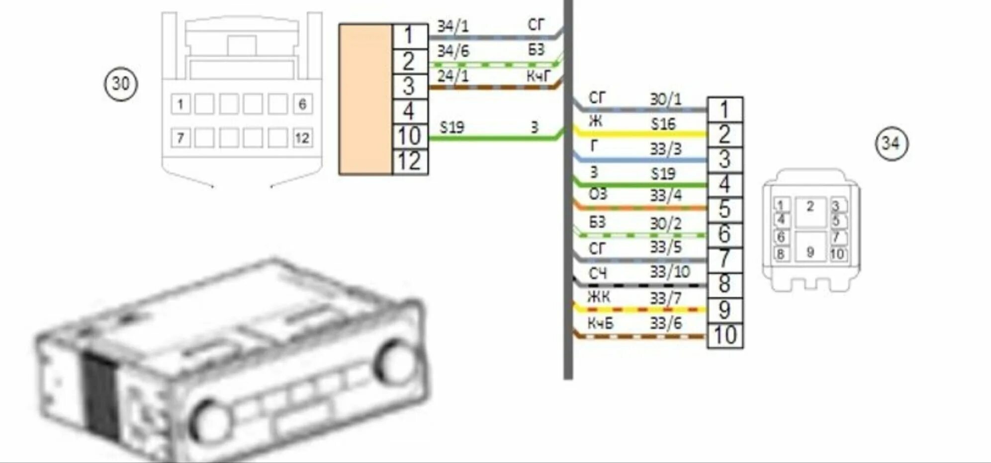
Подключить магнитолу нива