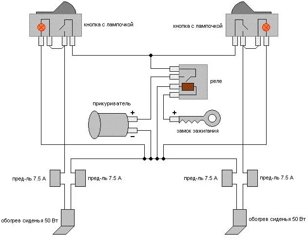
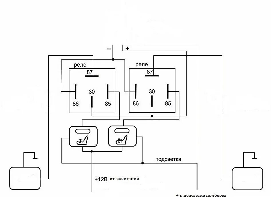
Подключить обогрев сидений