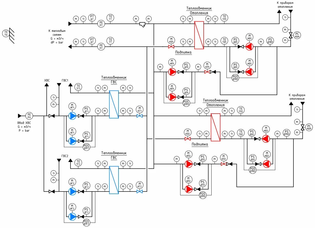
Подпитка закрытой системы отопления