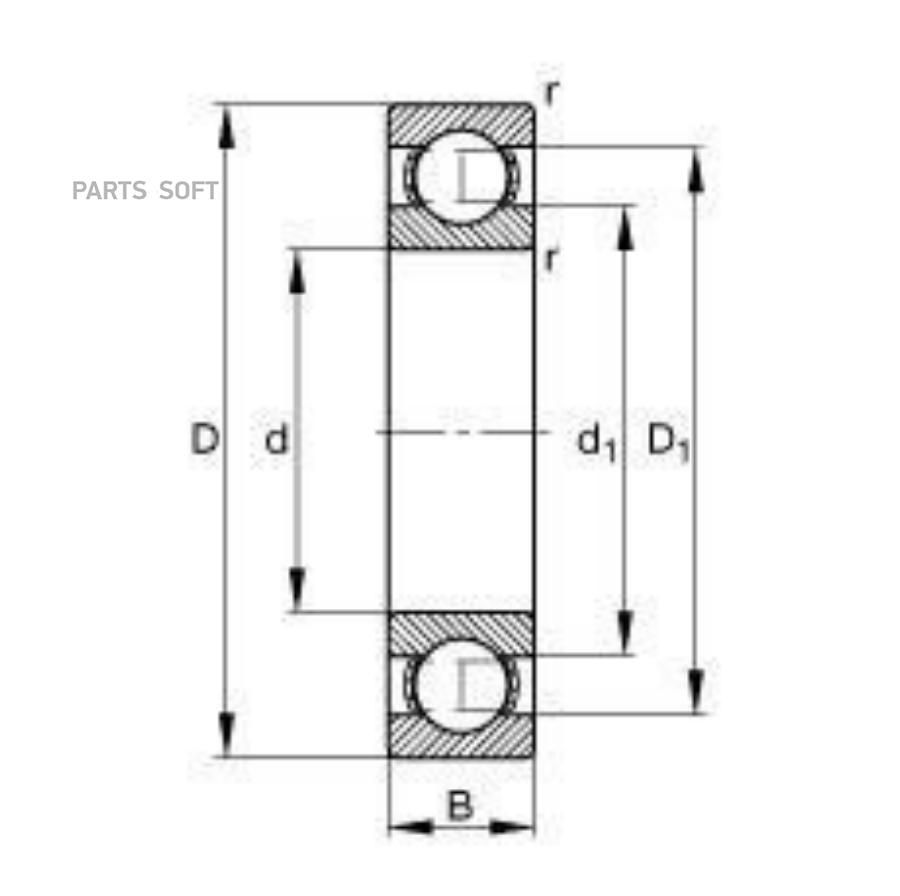
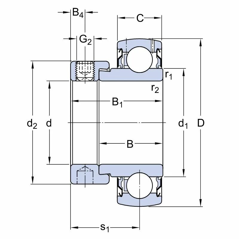
Подшипник 107 размеры