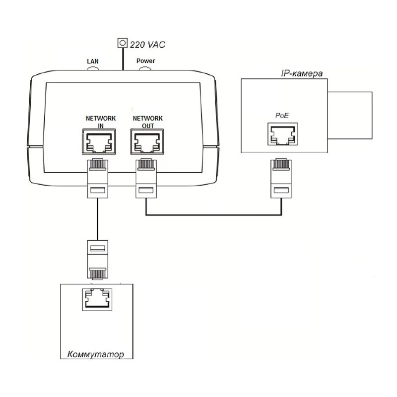
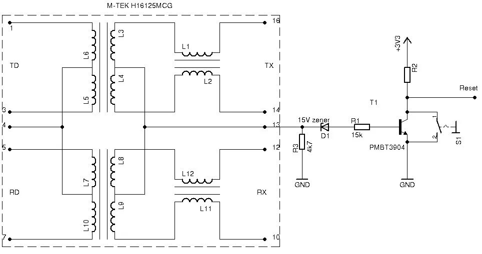
Poe инжектор схема