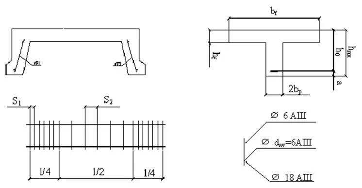
Поперечное ребро плиты