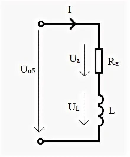
Последовательное соединение резистора и индуктивности