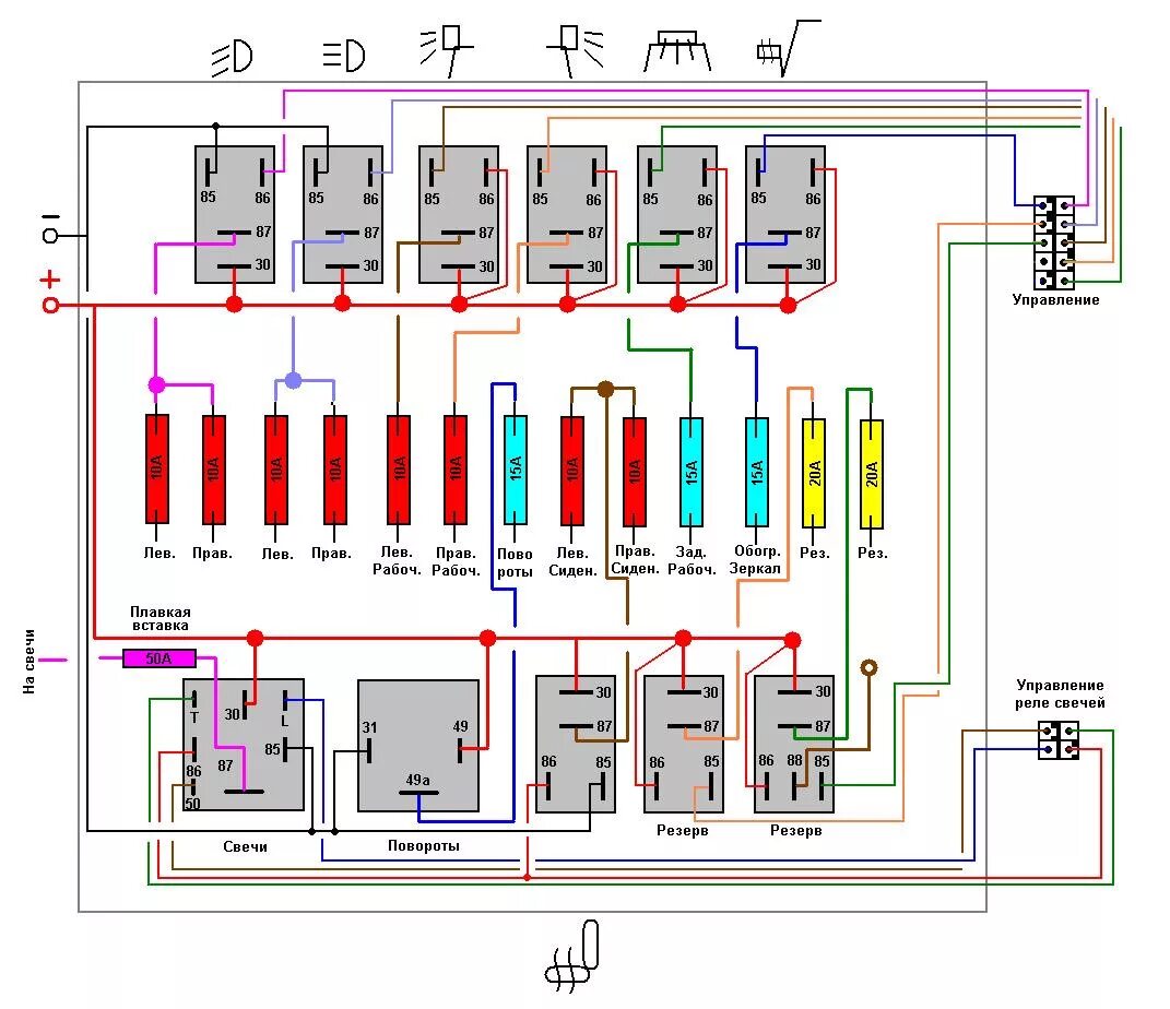
Предохранитель брп