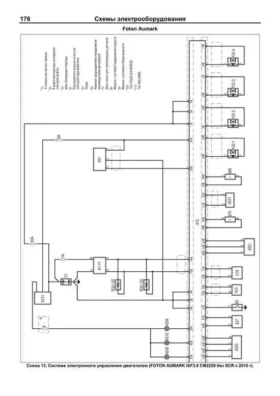
Предохранители фотон аумарк