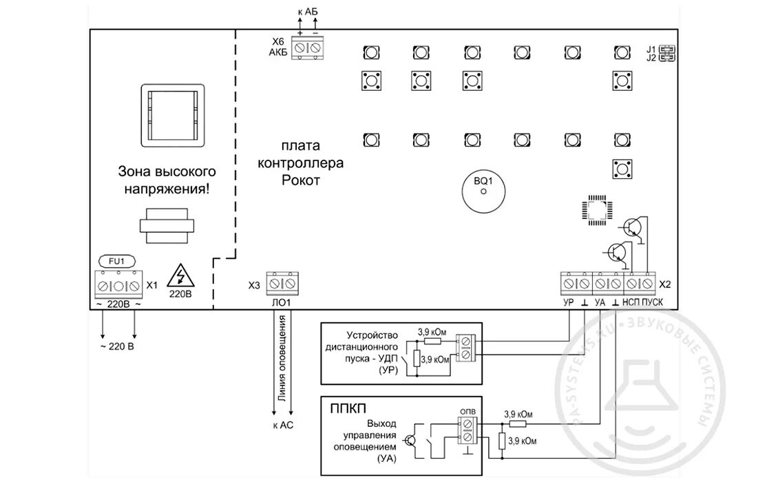
Прибор управления оповещением рокот 5