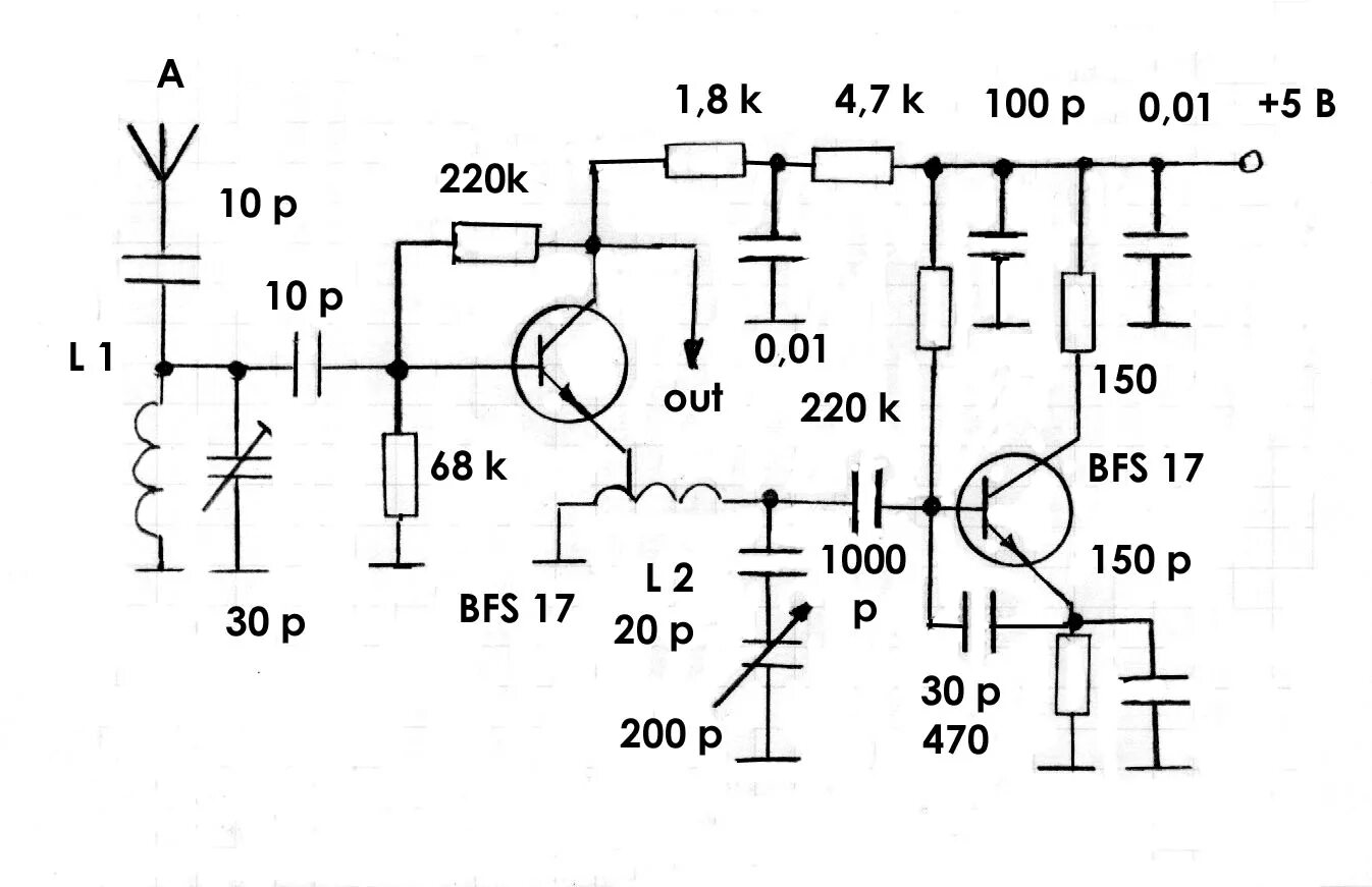
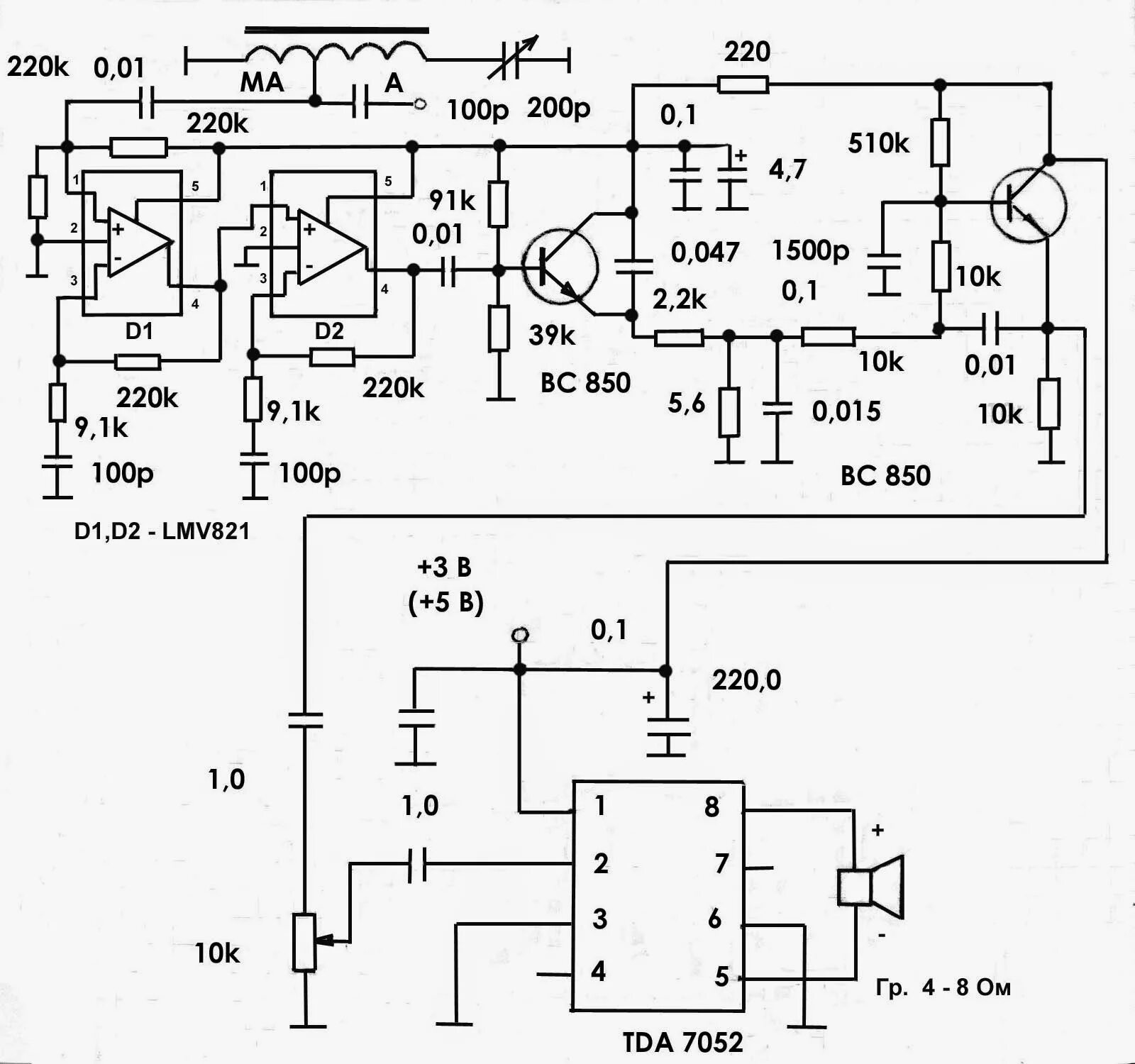
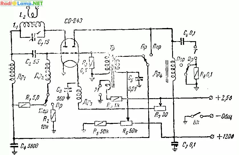
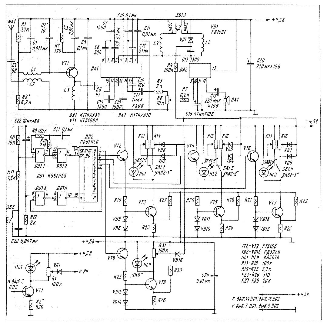
Приемник укв