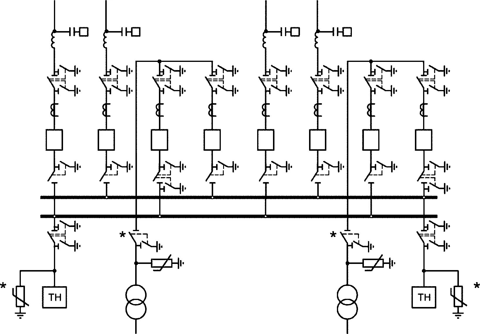
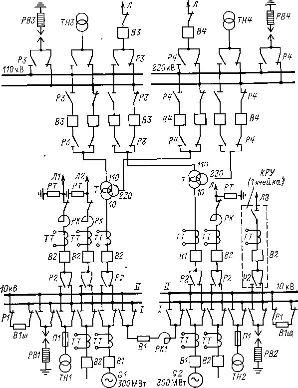
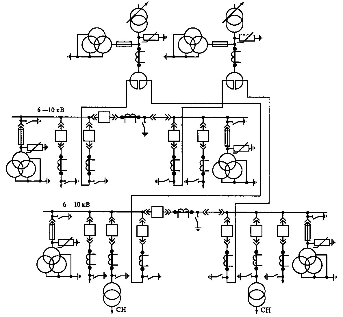
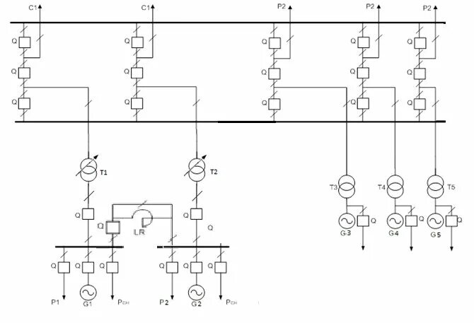
Принципиальная электрическая схема распределительного устройства