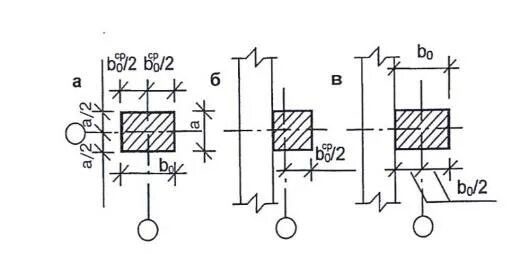
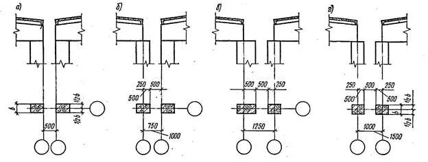
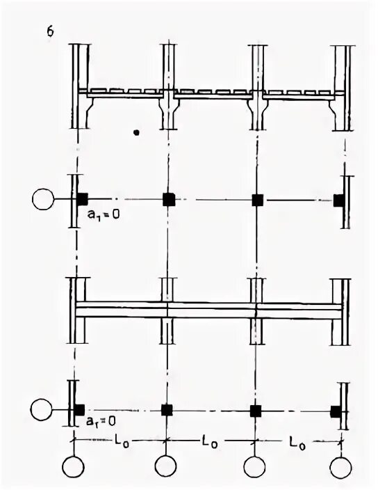
Привязка конструктивных элементов к осям здания