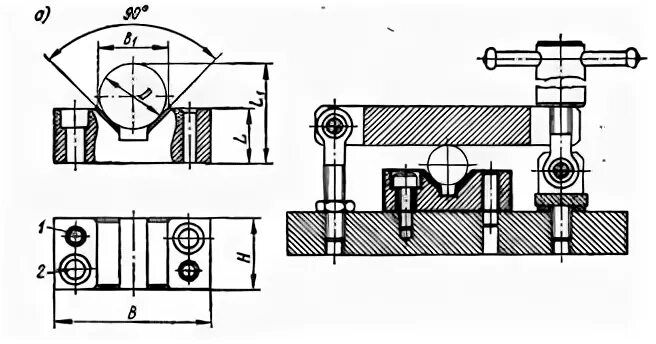
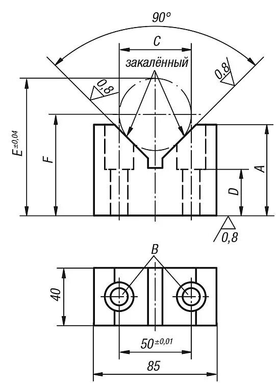
Призма с выемкой