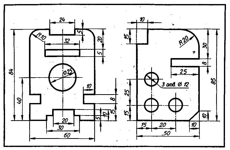
Простой вариант 4