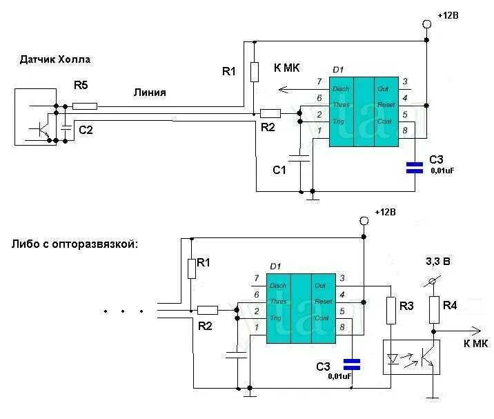
Проверка датчика холла