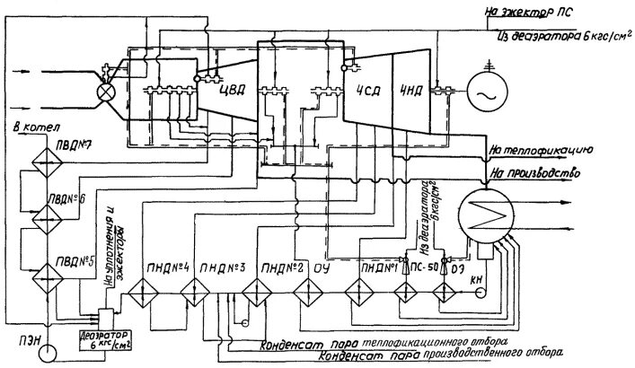
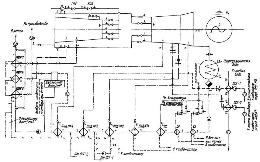
Пт 60 50