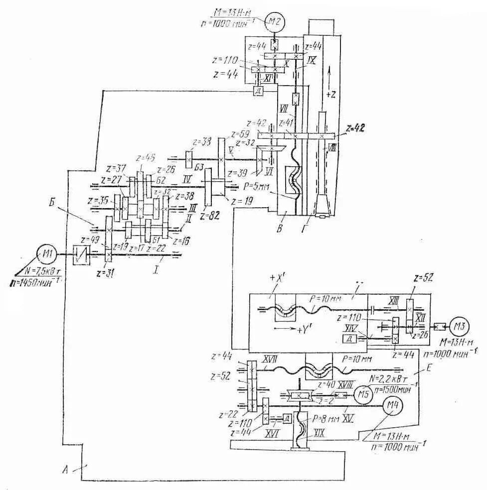
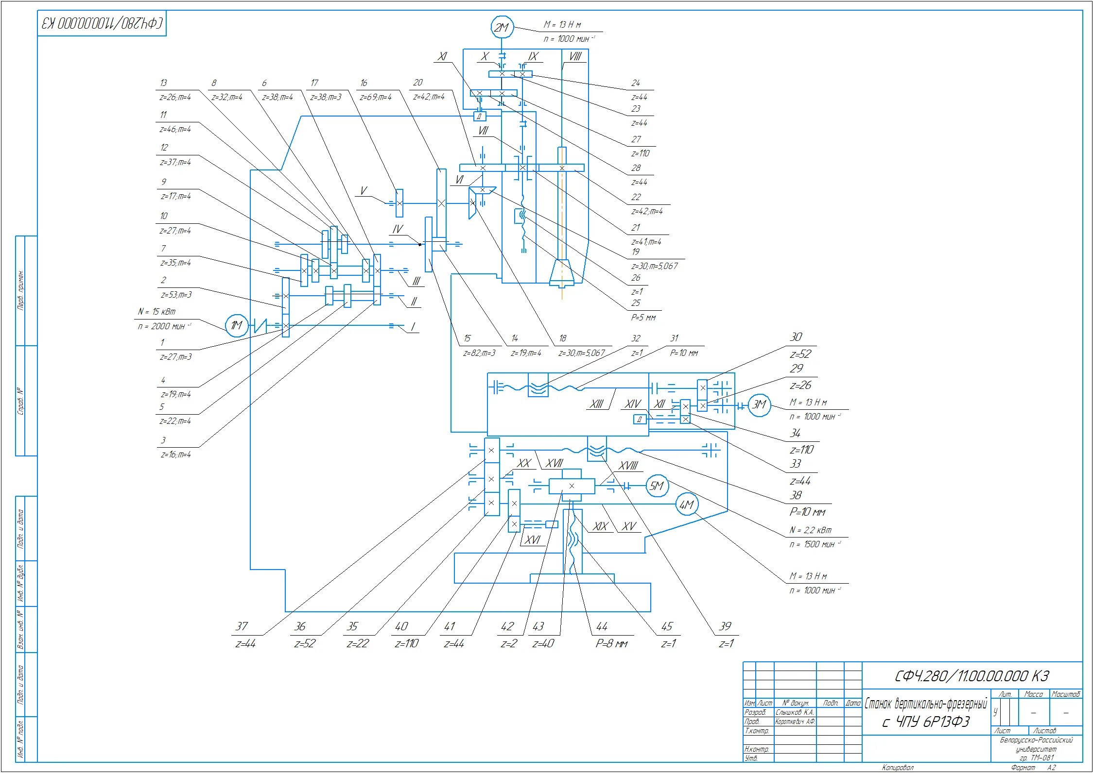
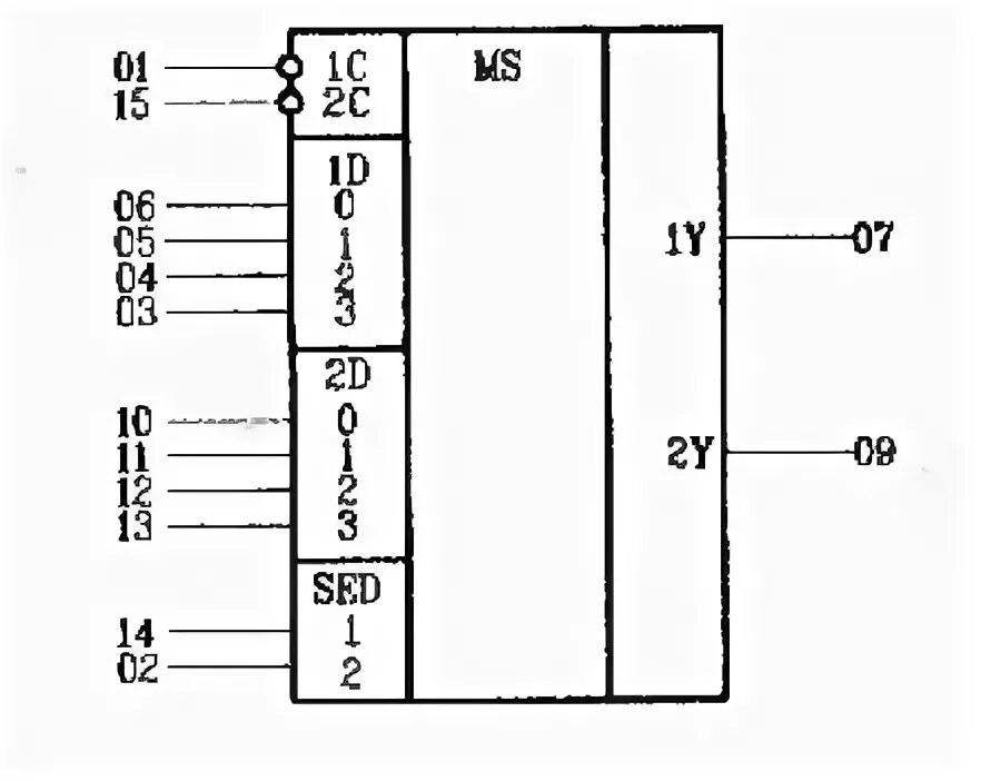
Р 13 схема