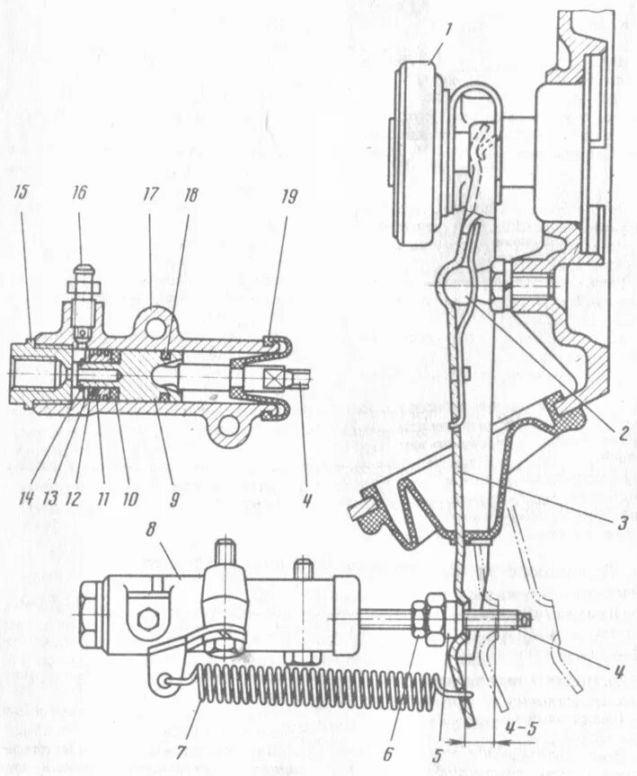
Рабочие параметры рабочего цилиндра