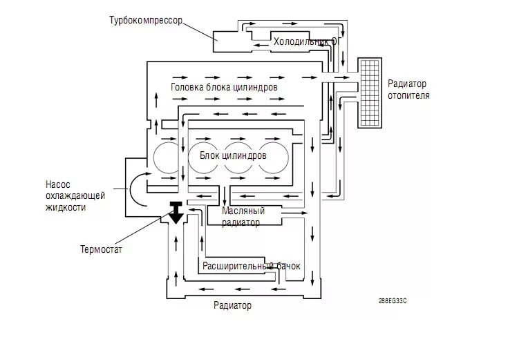
Рав 4 система охлаждения