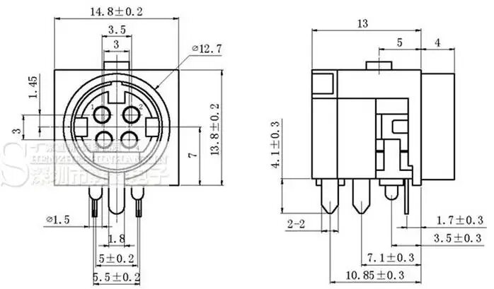
Разъем 1.4