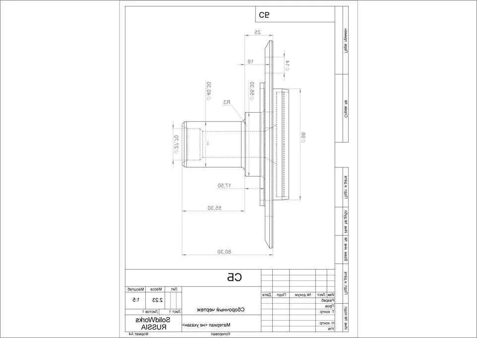
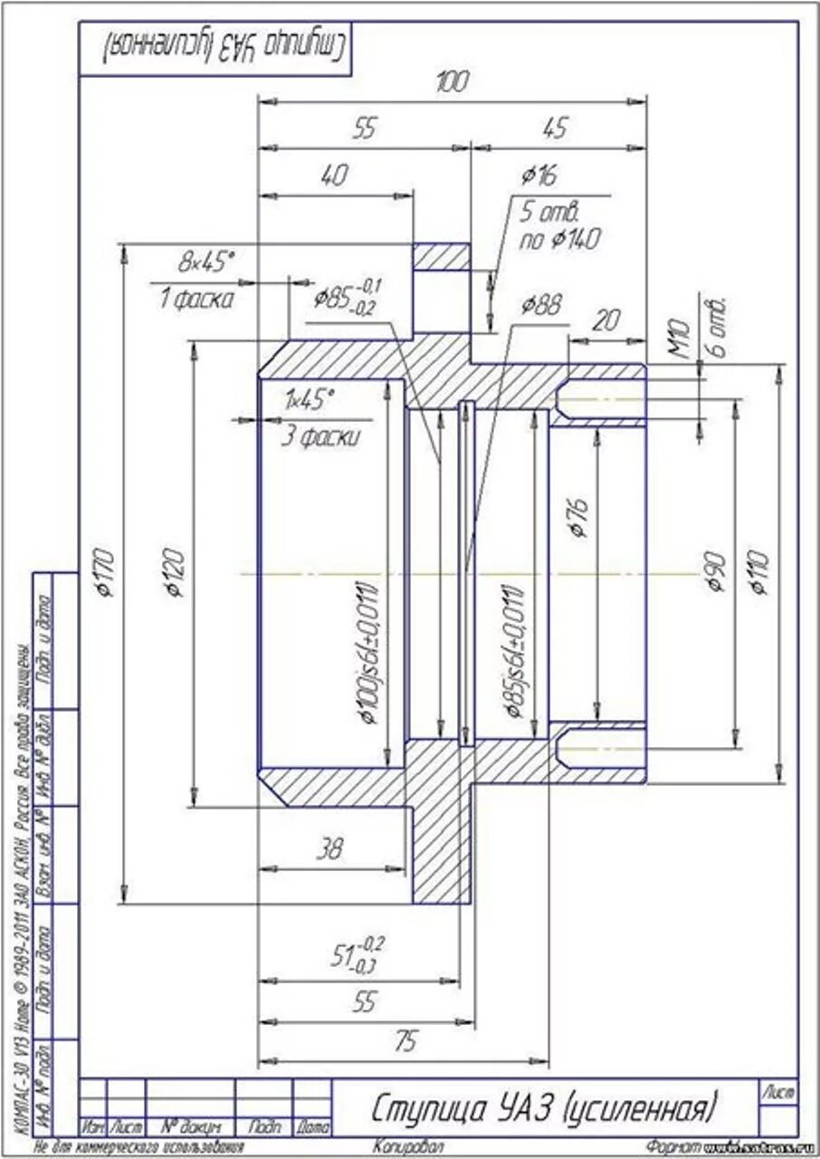
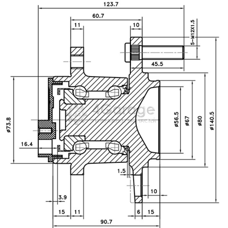
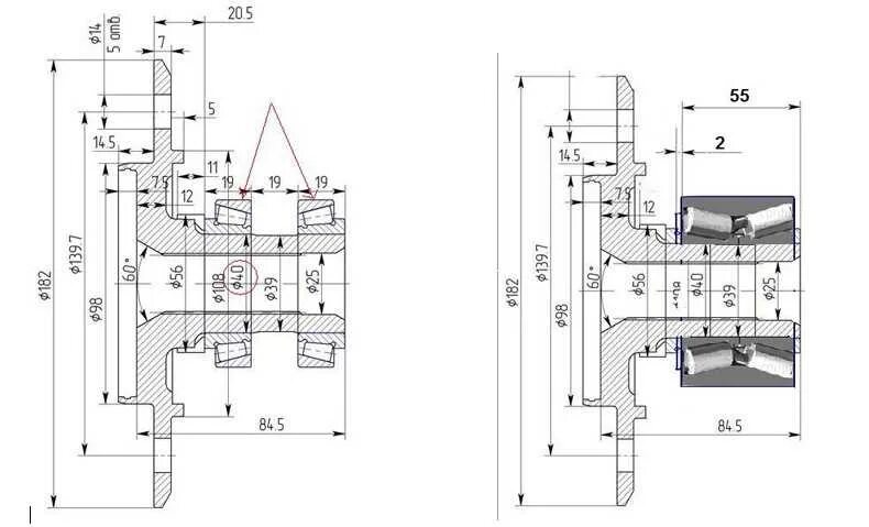
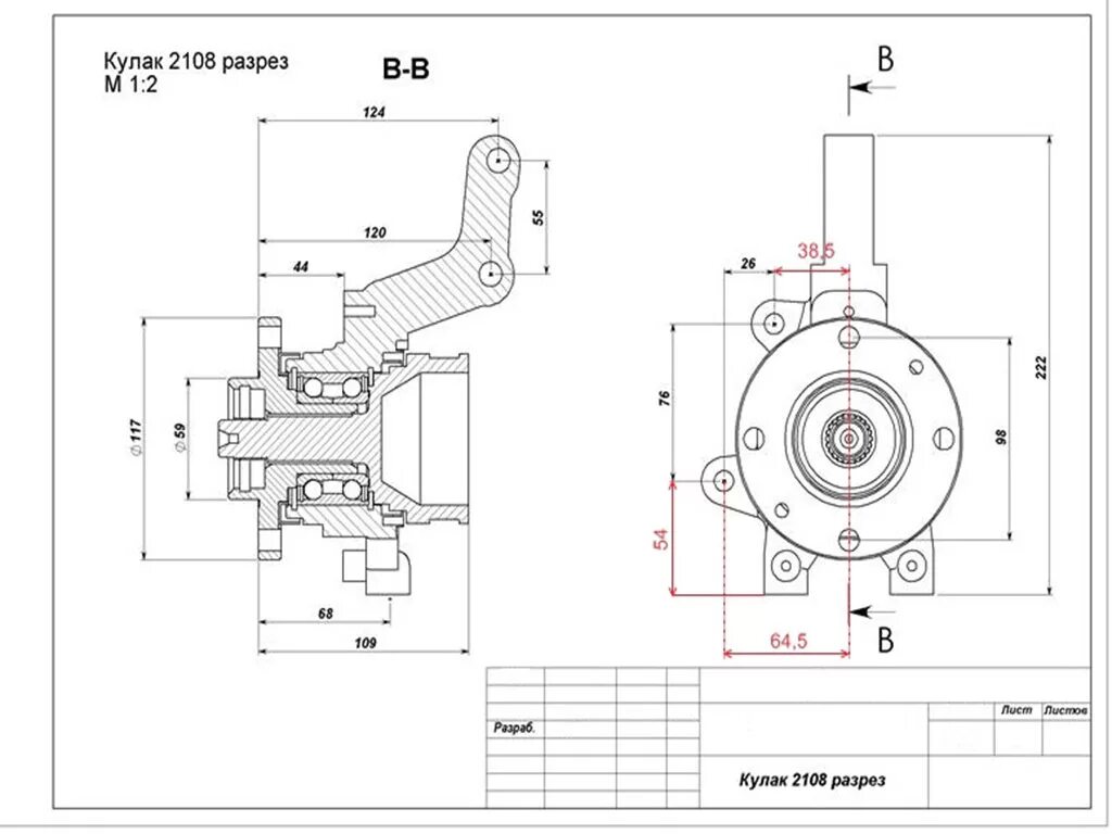
Размер переднего ступичного